 |
 |
 |
 |
 |
 |
 |
 |
 |
 |
NON Atari made Hardware:

INDEX
SWP ATR-8000/8500, Z80
Bit 3 80 column board
Cartridges
Floppy Drive stupidities...Here.
Floppy Drives, list of 5.25 and 3.5"...Here.
IDE Drive products
LaserDisk Player controller
Networking(24jan08)
Portable 800 XE
Robots
Stories:Mytek Video Genlock box
Sweet 16 project
Trains and Atari
ATR-8000/8500 interface(SWP):
* Overview:It is a Z80 based computer with 16K or 64K ram. It has two serial ports, one floppy drive port, and a printer port. Without anything special, it can boot and run almost any A8 disk. With software, it can run CP/M programs, and with a hardware upgrade(COPOWER) it can run 8088 MSDOS apps. There was a rare scsi hard drive interface for this. An IDE daughter board hard drive is being planned(with the ability to have three different partition types-A8, CP/M, and MSDOS). SWP later brought out the ATR8500, a shoebox version with a hardware serial port(so ATR8000 serial software may not work(as well)).
* Serial Port 1 is SIO to connect to the Atari A8 computer or to serial terminal/displays using a special cable.
* Serial Port 2 is for modems(to 9600 baud) using a software 'bit banging' technique.(REV 10Oct06)
* The Floppy Drive port can handle 5.25" disks from 88K to 1.2 meg, 3.5" disks to 720K, and 8" disks to 1.2 meg. Not all disk formats can be used at full capacity due to A8 DOS limitations, it can't run 1050 enhanced disks(tho a config program is rumored to exist), and 5.25" disks formatted on it will access faster on any standard A8 drive. A max of 4 drives can be connected, and they must be numbered first over Atari SIO drives(you must use 815 drives(or other modded) for numbers over 4). SIO devices can not be used by CP/M or MSDOS but data can be read(and written?) using software.
* The Printer port can handle any common printer-dot matrix, daisy wheel, inkjet, and laser. I have used all four. When in A8 mode, the 64K machine uses about 48K as a printer buffer. This port is NOT a bi directional parallel port. There is no EOL translation of 155 to 13.
I've been using the same one since about 1982. It has (2)360K and (1)1.2meg drives, all 5.25" as I decided that I didn't want to keep up with two disk sizes. It usually has a Canon BJC4100 color printer attached, but sometimes a HP DJ500, HP 6L laser, or a Gemini 10X as needed. And a modem that does not get used much these days.
CO-POWER picture(43K, 19Jun01) or the HiRes picture(123K, 19Jun01). Here is a picture of the co-power 8088 board in one of my ATR8000s.
ATR8KMAN.TXT. 90K text.(14jan01 RLD)
ATR8000 MANUAL: I have now uploaded it. I scanned and OCRed the manual I had, but had to redo the diagrams by hand. I did not include CP/M or MSDOS subjects in this pub. I have now reformatted this for printing directly to any 80 column printer, using only the FF character. (A8:'C'opy to P:, ST:Click, then Print, PC:use DOS copy, Windows makes simple printing excruciating, or forces this file to be 4+ megs!).
ATR8KODD.TXT. 47K text.(14jan01 RLD) Also available, for duplex printing, just the odd pages. See above for printing.
ATR8KEVN.TXT. 51K text.(14jan01 RLD) And here are just the even pages. Note that you may need to resort the pages before printing this file as above.
ATR Review. 8K text.(16Jun2K RLD)
ATR-8000 Review by Kevin Rappold and some discussion from 1984 is now available.
Here are the scanned and cleaned Atr Newsletters put out by the official SIG from Austin A.C.E.:(posted when they become ready)
01Jul2K3 Note:Many of these pages do not OCR properly. I have started to post them as GIFS for now, until I can retype them.
1984:Jan -
Feb -
Mar(GFX) - Apr(GFX) - May(GFX) -
Jun(GFX) - Jul(GFX) - Aug(GFX) - Sep(GFX) - Oct(GFX) -
Nov(GFX)
1985:Jan(GFX) -
Aug -
Oct(*TXT NEW!) -
REV(*TXT NEW!) -
Nov
1986:Feb -
Sep
(*Thanks to Larry White using better OCR to get these into text form)
For now, here is an Index.ATR Index. 2K text.(10Feb01 RLD)
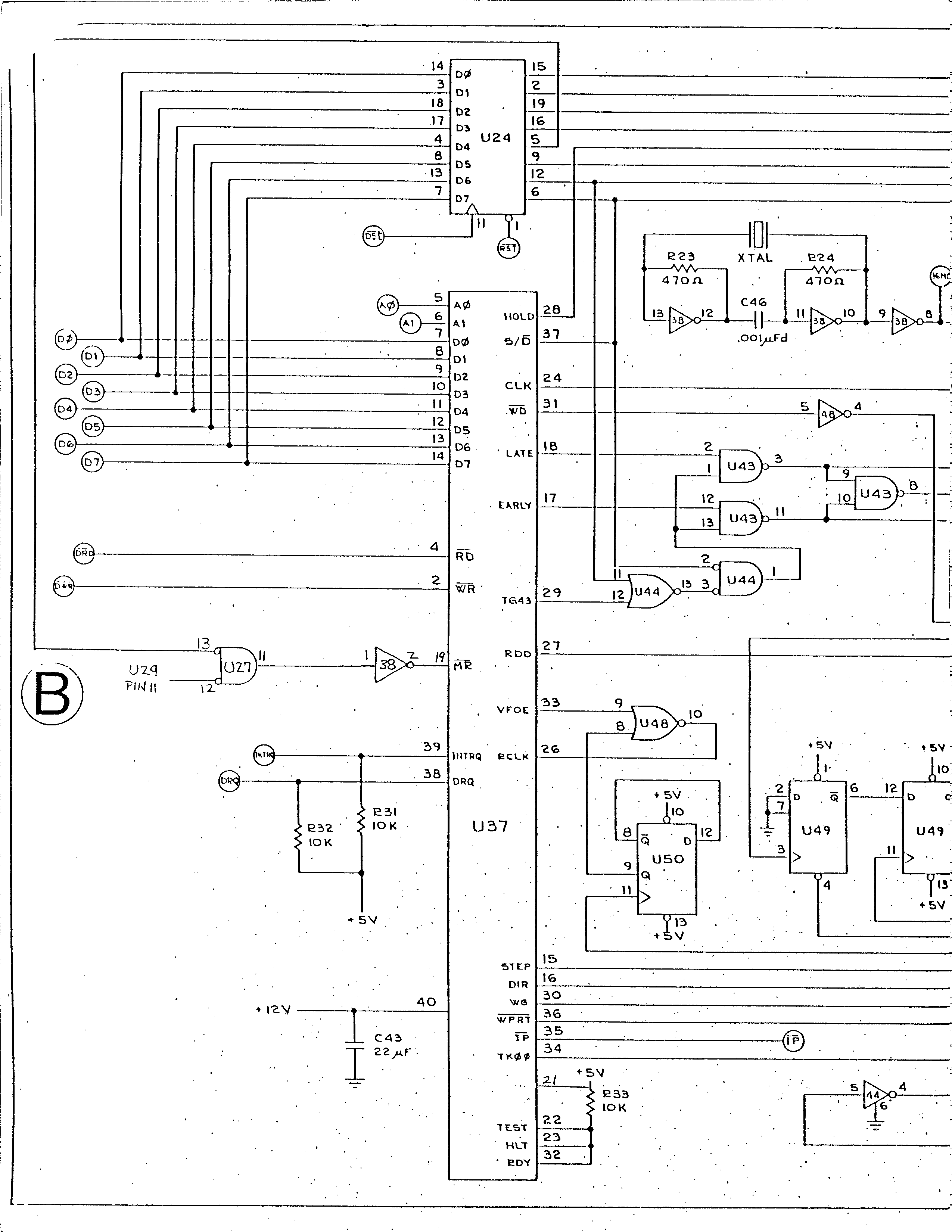
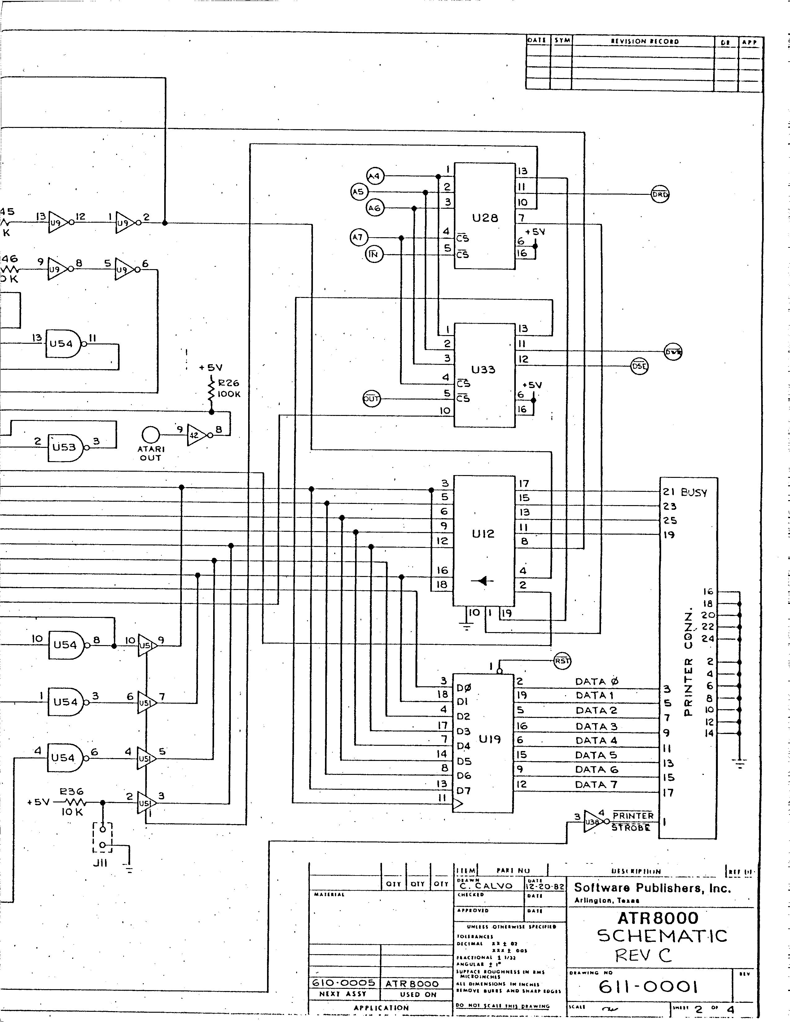
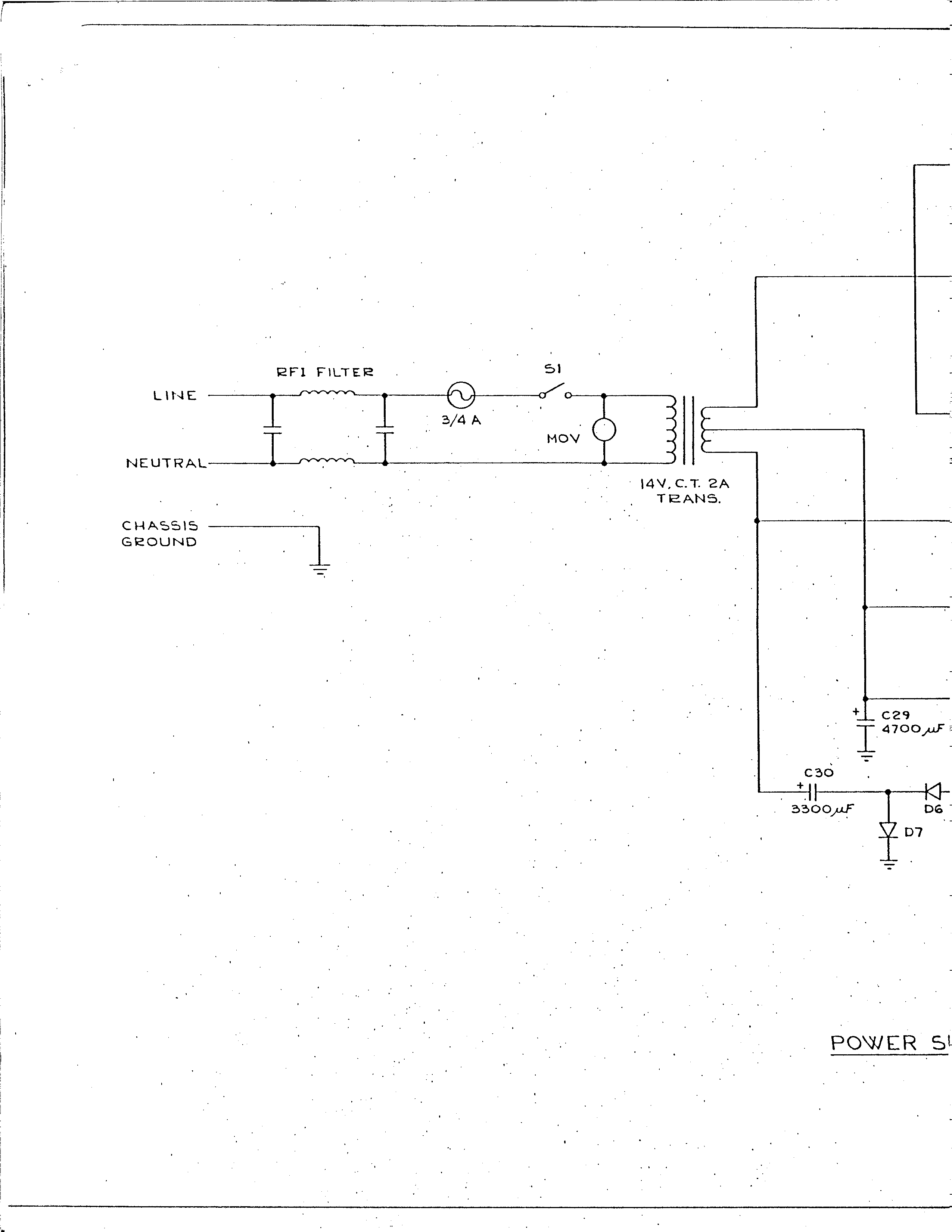
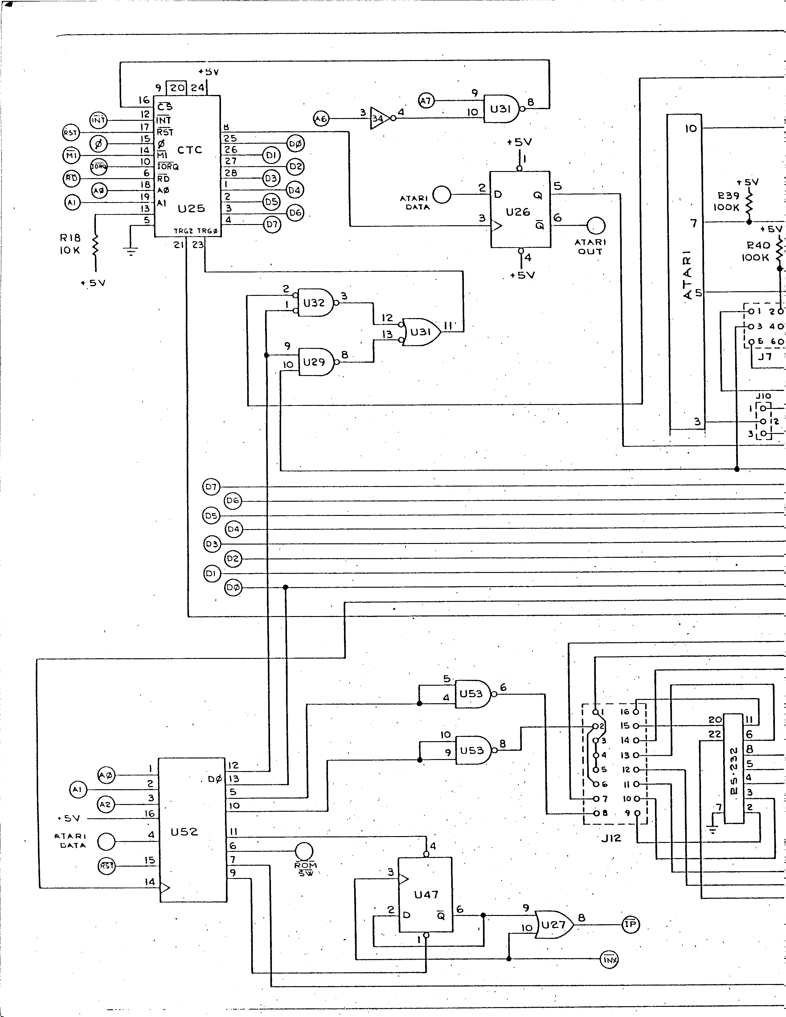
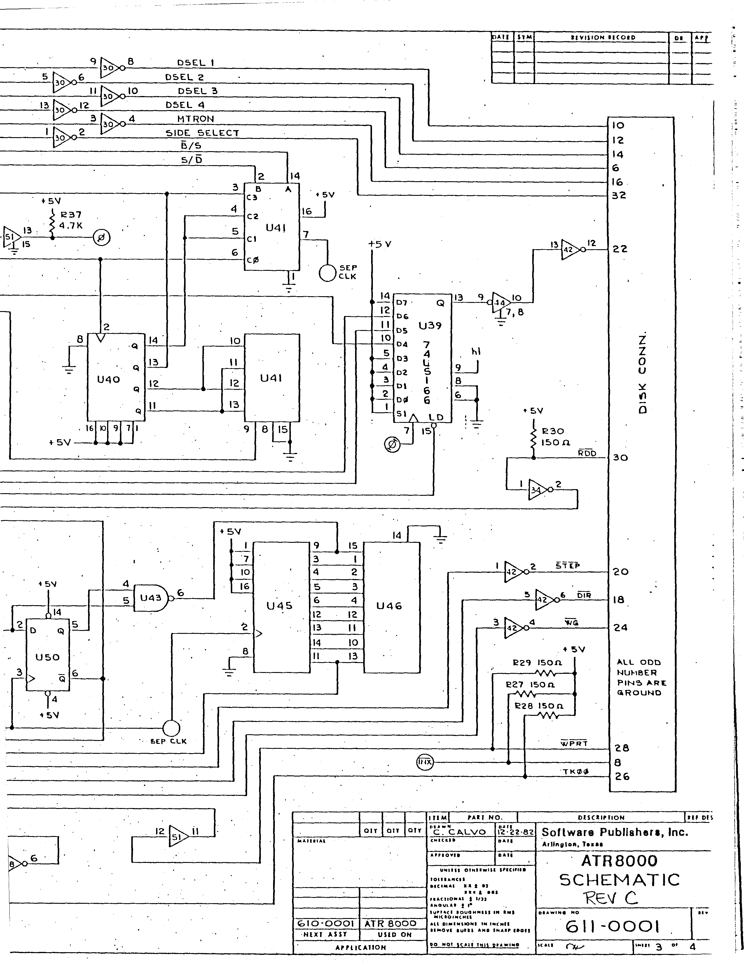
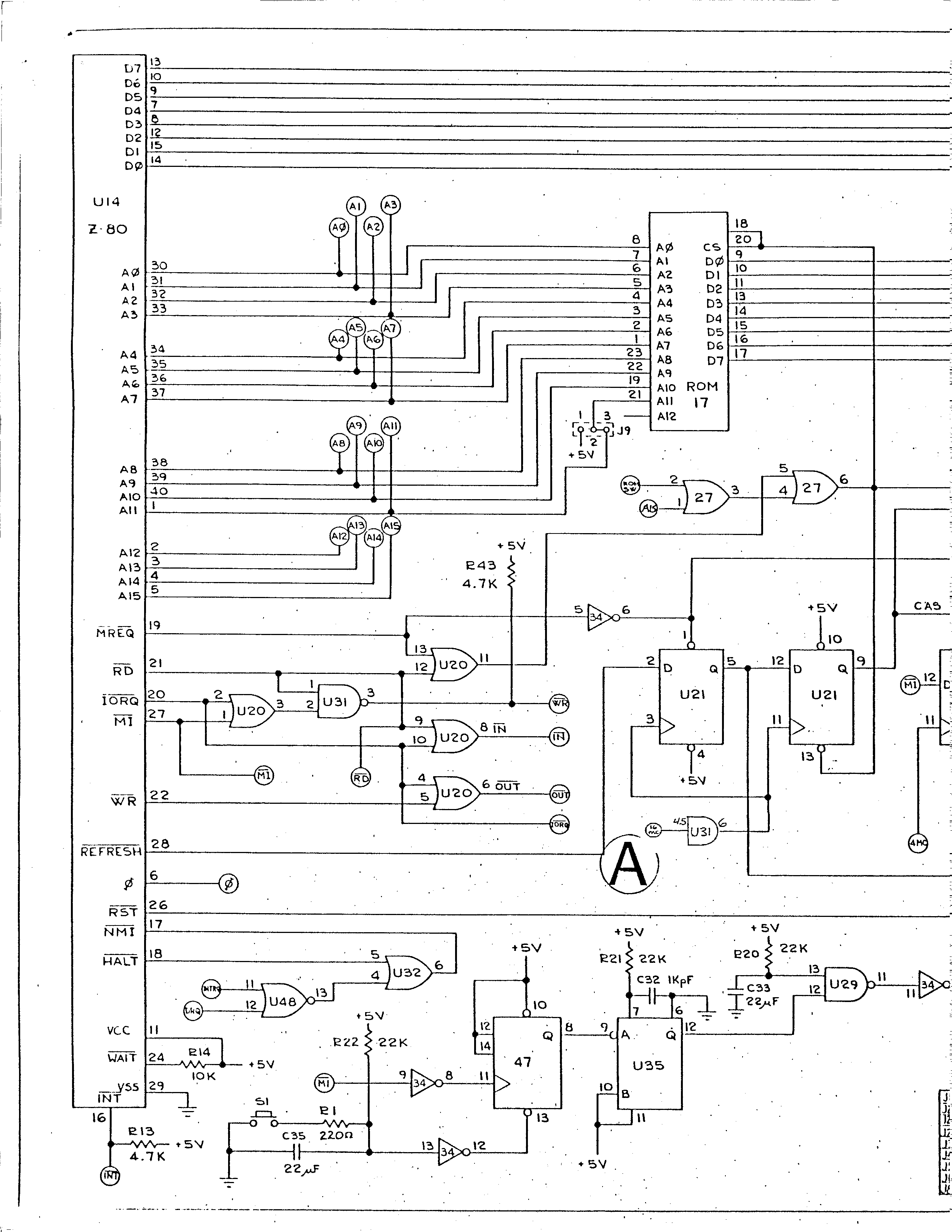
NEW:Oct10, 2006:Here are the GIF schematic pictures(with corrections): page 1 - page 2 - page 3 - page 4 - page 5 - page 6 - page 7 - page 8
SIO2PC/APE/etc:24oct2K6:If you are using one of these and can't get the ATR8000(or other) drives to work, I have updated my vitual SIO page with new info, at the bottom of the VS1 page.
Info on other Z80 DIY:N8VEM project is HERE.
I have a bunch of EIDE info, adding a hard drive to Z80 computers, but most seems to have disappeared with The z80 journal that was the main source. I'll post what I have eventually.
OTHER Hardware:
The BlackBox is very popular. Floppies, modems, printers, & Hard drives(scsi). I will post links soon.
The Mio still has a large following. Ramdisk, printers, & modems. I will post links soon.
The AID Rverter(1):(20Nov2006)
I have re-done the drawing of its pcb with schematic shown here...r-verter.
The Rverter II:(20Nov2006)
I have corrected errors in the text describing how its built here...r-verter 2 txt. and as schematic pic from expresspcb..here. and ver 1 schematic file from expresspcb..here.
14Oct08:Indus Disk Drive:Info on adding the ramcharger board(updated) and using CP/M. Here.
Bit 3 80 column board:
(22Jan06 RLD) This is a true 640 dot 80 column board for the 800. Plugs into the 3rd ram slot. Unfortunately with no addressing switches, it conflicts with the CCP 256K ram board in the middle slot. Here is a picture..Bit 3 186K. (27nov06)I was trying to use my ATR8000 in CPM mode, in 80 columns. So far nothing works. Bit3 and XEP80 switched out to using the 40 column screen. AUTOBIT3 actually runs, shows the CPM dir, but the 800 keyboard no longer works.
Cartridges:
OSS Supercart 27K text. (16Jun2k RLD) Here is the text reprint on how to access a 16K OSS Supercart. By Ken Roser, printed in JACG newsletter.
A link to make a 64K supercart... HERE.
Ethernet:
The most popular way to access ethernet and the internet is using a Lantronix Serial to ethernet adapter. They run about $100.00. But your software just dials the ip address as a phone number.
A link to an JYBOLAC ethernet cart is dead(20apr10).
|
STORAGE
|
IDE INTERFACE: From Europe: www.kawo2.rwth-aachen.de/~matz/atari/index_ge.html
___(05Dec98)
Interesting. I heard rumors, but not much for long. As with all of these, drives only store half of their capacity due to DOS not handling 512 byte sectors(but then again $10.00 for 1 gig, who cares.)
|
 |
And this note from Stefan B.(22Aug02):
Just some notes: This interface was developed by Matthias Belitz and me
(Stefan Birmanns) from Germany and it was a full 16 Bit ide host adapter
(one can use the full ide harddisk capacity). It was a true pbi device (no
rom patches or other internal modifications in the atari neccessary). One
could also attach a cdrom drive and access the files on a data cdrom (I
wrote an iso9660 filesystem reader).
We developed the interface in 1995 and made a small production run (which is
sold out).
SCNR :-)
Stefan
There was another interface developed by Draco. Don't know anything about it.
And here is another ide interface:KMK IDEand Detail on hardware (polish).(20Jan08)
SDRIVE:
Sdrive is a replacement for drives D1 to D4.... Here. I have made these and they work great! RLD(mar09)
SIO2CF:
SIO2IDE: Here is a link (16Jan2003)
SIO2SD: Here is a link
(FEB2007) -- THREAD:ATARIAGE
SIO2USB:
|
MY-IDE Interface(rev:19jun07) Mr. Ataris' MYIDE site
___(01Jan01)
This one can mount in a drive case, or in the 800. Needs a couple of I.C.s and a programmed pal(a programmed O.S.helps), manufactured versions available from www.atarimax.com.
NOTE:Finding info on new manuals and software was very frustrating.
Here is the direct link to MANUAL. *** YOU MUST BE LOGGED IN TO EVEN SEE THE DOWNLOAD LINK! ***
Here is the direct link to 4.3 EPROM IMAGE. Scroll down to the bottom of the page. *** YOU MUST BE LOGGED IN TO EVEN SEE THE DOWNLOAD LINK! ***
Still looking for actual software...
I have been researching ide interfaces, for the A8 and the Z80 with a great site called "The Computer Journal". But they have completely disappeared. But I am finding links:
Gaby
KC-Club
|
Laser Disk controller:
Dragons Lair Laser Disk controller
(24Feb2002) Has information on new controllers adapters for Sony players, decals, and disk re-release. But, who has info on the Atari 800 controller?
MIDI
Midi info.... HERE.(kuczek)
Networking
For Gaming:Gamelink I is a 2 computer method. Gamelink II handles up to 8 computers. Multijoy uses 1 computer and up to 16 joysticks at once. See the Gamelink Design center.
Portables
Wow! the coolest laptop ever...at Ben heck (20nov05)
Robots:
Atari Robots page
(10Feb2000) Has information on using an 800 for creating and controlling robots.
Stories:
"MYTEK Studio II Genlock Overlay" by Rick D., [380K, Revised 12May2K]
Sweet 16 project:
A definition for the way the 8 bit 1200Xl should have been.
Trains:
Since I started building a 4 ft x 8 ft train table layout for/with my dad(though he sadly passed away 15Jan08, enjoying what we had done greatly), I always wanted to DCC control it using my atari. I found this site that did...
Trains.(07Feb2k8)
|
|